led-design-example

9 ינואר, 2013

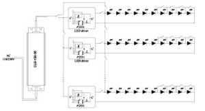
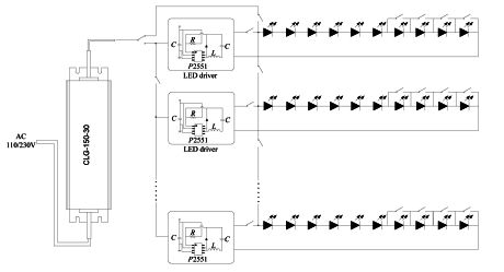
דוגמה לתכנון מערך של דרייברים לתמיכה ב-LEDs

Share via Whatsapp